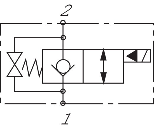
2/2-Wege Ventil, stromlos geschlossen (NC), einseitig
2/2-Wege Ventil, stromlos geschlossen (NC), einseitig
Produktnummer:
KHP4050571903732
2/2-Wege Ventil, stromlos geschlossen (NC), einseitig
EAN-Nr.:
4050571903732
Zur Produktbeschreibung
Produktinformationen "2/2-Wege Ventil, stromlos geschlossen (NC), einseitig"
Verwendung:
Vorgesteuerte 2/2-Wege-Sitzventile mit Notablassschraube zur Entlastung von 1 nach 2 bei geschlossenem Ventil. Die Sitzventile sperren einen Ölstrom leckagefrei ab. Bei der Auswahl der Ventile ist die Sperrrichtung zu beachten.
Werkstoffe:
Körper: Aluminium (10 bis 350 bar: Stahl verinkt), Einschraubventil: Stahl verzinkt, Dichtungen: NBR
Temperaturbereich:
-20 bis +80 °C (Umgebung: -30 bis +90 °C)
Medien:
Hydrauliköle auf Mineralölbasis
Steuerspannungen:
24 V DC, 230 V AC, 12 V DC
Spannungstoleranz:
± 10 %
Schutzart:
IP 65
Bauform Magnetspule:
V (Steckergröße 3)
Information:
Diese Ventile werden grundsätzlich mit Magnetspule und Stecker ausgeliefert!
Anmelden
