3/2-Wege Zeitventil, 1 - 20 Sekunden, G 1/8"
3/2-Wege Zeitventil, 1 - 20 Sekunden, G 1/8"
Produktnummer:
KHP4050571730079
3/2-Wege Zeitventil, 1 - 20 Sekunden, G 1/8"
EAN-Nr.:
4050571730079
Zur Produktbeschreibung
Produktinformationen "3/2-Wege Zeitventil, 1 - 20 Sekunden, G 1/8""
Werkstoffe:
Körper: Aluminium eloxiert, Innenteile: Aluminium, Messing und Edelstahl, Dichtungen: Kunststoff und NBR
Temperaturbereich:
-10 bis +70 °C
Medien:
geölte und ungeölte, gefilterte Druckluft
Druckeingang:
an jedem Anschluss möglich
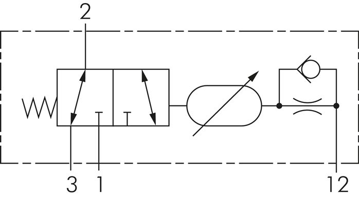
Funktion:
Dieses Ventil schaltet verzögert. Es kann in Ruhestellung geschlossen oder Ruhestellung offen eingesetzt werden. Druckanschluss bei 1 ergibt die Funktion "Ruhestellung geschlossen", Druckanschluss bei 3 die Funktion "Ruhestellung offen". In Ruhestellung ist Durchfluss von 3 nach 2, Anschluss 1 ist gesperrt. Ein bei 12 ankommendes Signal schaltet nach Ablauf der eingestellten Zeit das Ventil auf Durchfluss von 1 nach 2, 3 wird gesperrt. Nach Löschen des Signals stellt eine Feder den Kolben sofort zurück.
Ein Anschluss der Signalleitung 12 an 1 oder 3 ist möglich. Hierbei ist darauf zu achten, dass die Signalleitung zum Ventilanschluss 1 oder 3 nicht länger ist als die Signalleitung nach 12.
Anmelden
