5/2-Wege Oszillierventil, zeitgesteuert, G 1/4"
5/2-Wege Oszillierventil, zeitgesteuert, G 1/4"
Produktnummer:
KHP4050571537500
5/2-Wege Oszillierventil, zeitgesteuert, G 1/4"
EAN-Nr.:
4050571537500
Zur Produktbeschreibung
Produktinformationen "5/2-Wege Oszillierventil, zeitgesteuert, G 1/4""
Werkstoffe:
Körper: Aluminium eloxiert, Innenteile: Aluminium, Messing und Edelstahl, Dichtungen: NBR
Temperaturbereich:
-10 bis +60 °C
Betriebsdruck:
3 - 10 bar
Medien:
geölte und ungeölte, gefilterte Druckluft
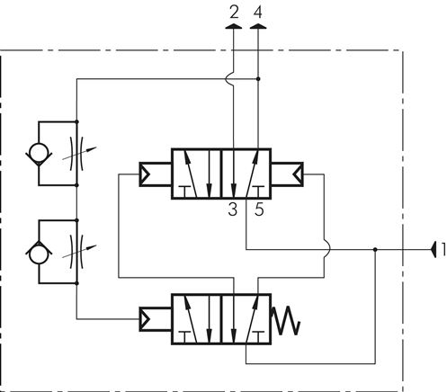
Funktion:
Das Ozillierventil erzeugt oszillierende Vorgänge wie z. B. Rütteln, Abklopfen, Tauchen in Verbindung mit doppeltwirkenden Zylindern. Wird der Eingang 1 mit Druckluft versorgt, so werden die Ausgänge 4 und 2 wechselweise mit Druckluft beaufschlagt. Das Ventil schaltet in einem über 2 Einstellschrauben einstellbaren Zeittakt (Vor- und Rückhub). Die Geschwindigkeit des angesteuerten Zylinders muss separat über Drosseln eingestellt werden.
Anmelden
