ISO-Kurzklemmhalter SSKCR10CA-09
Produktnummer:
WAL0205734926
ISO-Kurzklemmhalter SSKCR10CA-09
Produktinformationen "ISO-Kurzklemmhalter SSKCR10CA-09"
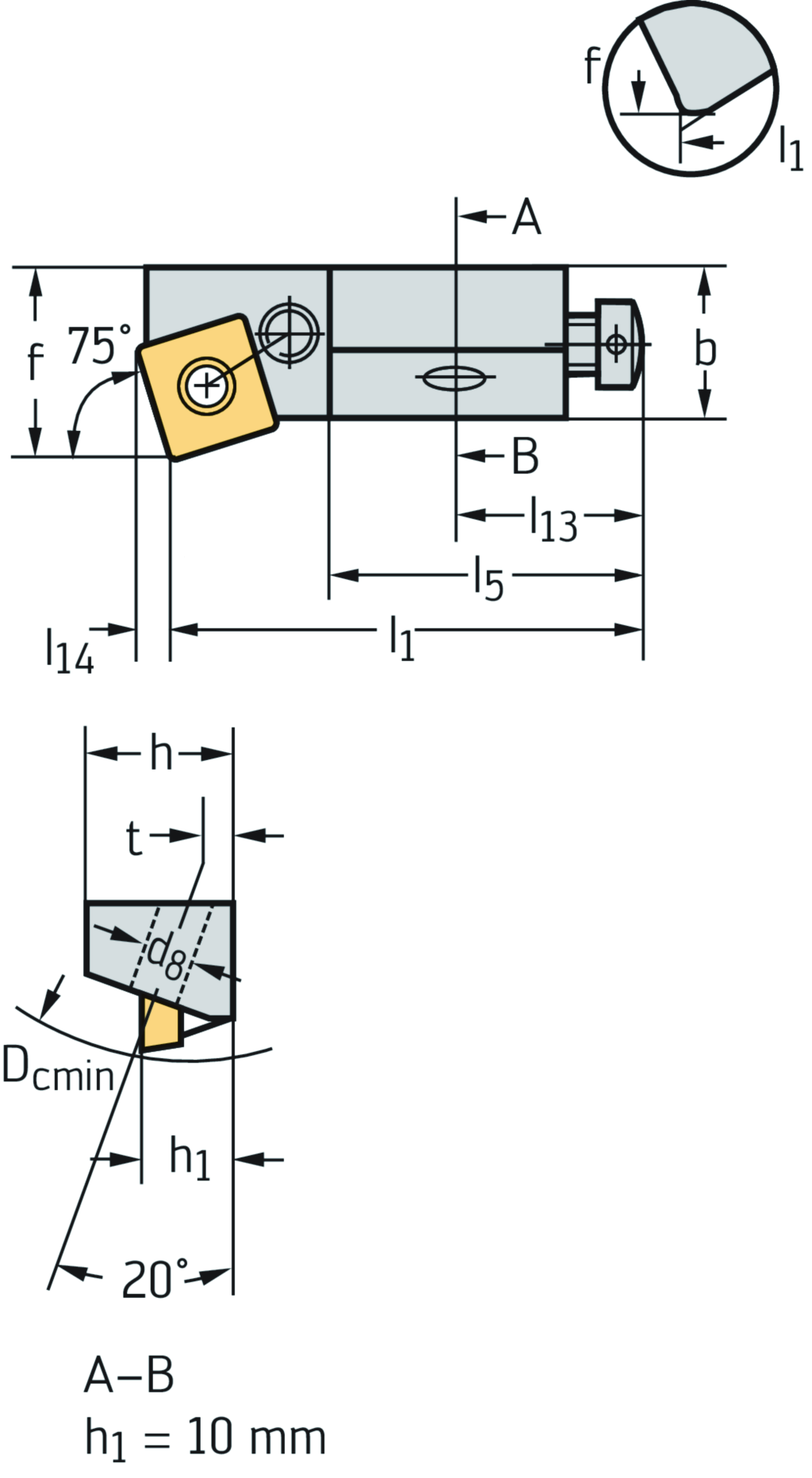
ISO-Kurzklemmhalter SSKC-09...CA • metrisch • rechts • κ=75° • Dc(min)=40mm
Eigenschaften
| Eckenwinkel Schneidplatte: | 90 ° |
|---|---|
| Funktionsbreite: | 14 mm |
| Funktionslänge: | 50 mm |
| Funktionshöhe: | 10 mm |
| Bildkennung: | 6 |
| Nachschleifrestmenge: | 50 mm |
| Aufnahmetyp, maschinenseitig: | KKH |
| Aufnahmeform, maschinenseitig: | 1 |
| Masse (Gewicht): | 0,04 kg |
| Aufnahmeausführung, maschinenseitig: | 8 |
| Aufnahmeart, maschinenseitig: | 5 |
| Kopflänge: | 17 mm |
| Aufnahmegröße, maschinenseitig: | 010R |
| Schafthöhe: | 15 mm |
| Schaftbreite: | 11 mm |
| Werkzeugausführung: | S |
| Einstellwinkel: | 75 ° |
| Länge Einstellschraube: | 8 mm |
| Schneidrichtung: | R |
| Abstand Bohrung 1: | 20 mm |
| Befestigungsart Schneidplatte: | S |
| Halterform: | G |
| Durchmesser Befestigungsbohrung: | 7 mm |
| Normnummer: | - |
| Winkel Befestigungsbohrung: | 20 ° |
| Höhe Befestigungsbohrung: | 5 mm |
| Identifizierende Bestellnummer: | SSKCR10CA-09 |
| Firmenkennung: | W |
| Normnummer Sachmerkmal: | DIN4000-175 |
| Bearbeitungsverfahren: | DDI |
| Bezeichnung Schneidplatte: | SCMT 3(2.5)2 |
| Datenträger: | 0 |
Anmelden
