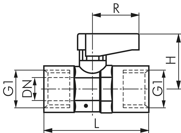
Messing-Minikugelhahn Rp 3/8"-Rp 3/8" (IG), PN 20
Messing-Minikugelhahn Rp 3/8"-Rp 3/8" (IG), PN 20
Produktnummer:
KHP4050571421465
Messing-Minikugelhahn Rp 3/8"-Rp 3/8" (IG), PN 20
EAN-Nr.:
4050571421465
Zur Produktbeschreibung
Produktinformationen "Messing-Minikugelhahn Rp 3/8"-Rp 3/8" (IG), PN 20"
Werkstoffe:
Körper: Messing verchromt, Kugel: Messing verchromt, Dichtungen: PTFE / NBR
Temperaturbereich:
-20 bis +80 °C
Medien:
Wasser (kein Dampf), neutrale, gasförmige und nicht aggressive, flüssige Medien, Mineralöle, Druckluft, Vakuum (max. -0,99 bar)
Anmelden
