Zweihand-Sicherheitsblock G 1/4", 5/2-Wege (Selbsthalte-Anschluss 14), Präzision
Zweihand-Sicherheitsblock G 1/4", 5/2-Wege (Selbsthalte-Anschluss 14), Präzision
Produktnummer:
KHP4050571682187
Zweihand-Sicherheitsblock G 1/4", 5/2-Wege (Selbsthalte-Anschluss 14), Präzision
EAN-Nr.:
4050571682187
Zur Produktbeschreibung
Produktinformationen "Zweihand-Sicherheitsblock G 1/4", 5/2-Wege (Selbsthalte-Anschluss 14), Präzision"
Werkstoffe:
Körper: Aluminium eloxiert, Innenteile: Aluminium, Messing und Edelstahl, Dichtungen: Kunststoff und NBR
Medien:
geölte und ungeölte, gefilterte Druckluft
Druckeingang:
Anschluss 1 (Typ SZ 18 310 B: Luftversorgung über Steuerungssignale)
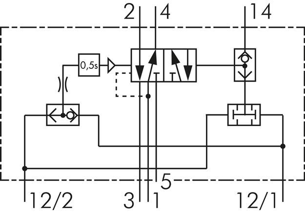
Funktion SZ:
Das Ventil schaltet, wenn zwei Eingangssignale 12/1 und 12/2 innerhalb 0,5 sek. ankommen. Nach Löschen eines oder beider Signale stellt der Kolben zurück. Wenn die Eingangssignale nicht innerhalb 0,5 sek. ankommen, schaltet das Ventil nicht. Zum Wiedereinschalten müssen vorher beide Signale gelöscht werden.
Anwendung SZ:
Für Maschinen und Vorrichtungen, die beidhändig eingeschaltet werden müssen (z.B. Pressen). Mit dem Ventil SZ 14510 bzw. SZS 14510 können Zylinder bis Ø 160 direkt betrieben werden.
Funktion SZS:
Dieser Zweihandsteuerblock hat außer den beiden Signaleingängen 12/1 und 12/2 noch den Signalanschluss 14. Signal auf 14 schaltet den Zweihandsteuerblock wie ein normales 5/2-Wegeventil.
Anwendung SZS:
1. Für Maschinen und Vorrichtungen, die beidhändig eingeschaltet werden müssen, jedoch kurz vor Hubende auf "Selbsthaltung" schalten. Die beiden Handtasten können schon vor Hubende losgelassen werden. Selbsthaltung wird durch den Endschalter (Signal auf 14) eingeschaltet und durch ein Zeitventil oder einen Druckschalter gelöst. 2. Für Maschinen und Vorrichtungen, die wahlweise beid- oder einhändig oder über Fußschalter eingeschaltet werden.
Anmelden
